74HC00
74HC00
RENESAS
74HC00 ST SOP
In Stock: 6124 pcs
, istaknuti član obitelji CMOS Logic IC, integrira četiri NAND vrata u jedan paket, koristeći tehnologiju silicijske gate kako bi uskladio operativne brzine LS-TTL-a s značajno nižom potrošnjom energije.Ovaj spoj brzine i učinkovitosti, povećan njegovom sposobnošću vožnje do deset LS-TTL opterećenja i unutarnje suzbijanja diode za zaštitu od elektrostatičke pražnjenja, pozicionira 74HC00 kao svestranu i pouzdanu komponentu u dizajnu digitalnog kruga.Možete cijeniti njegove puferirane rezultate za poboljšani imunitet buke i njegovu kompatibilnost s nekoliko ekvivalenata industrijskog standarda, što ga čini kamen temeljac u stvaranju inovativnih i robusnih digitalnih sustava.
Katalog
A
74HC00
74HC00
RENESAS
74HC00 ST SOP
In Stock: 6124 pcs
, Uključujući četiri Nand vrata, poznato je po poravnanju s LS-TTL obitelji.
Koristeći CMOS tehnologiju silicij-vrata, postiže operativne brzine slične LS-TTL-u zadržavajući fokus na malu potrošnju energije.Ova ravnoteža omogućuje vam da iskoristite i brzinu i učinkovitost, uzgajajući dizajne koji odjekuju s domišljatošću.Puferirani izlazi s vrata poboljšavaju imunitet buke, čimbenik koji doprinosi stabilnim performansama čak i u izazovnim signalnim okruženjima.
Njegova sposobnost vožnje do deset LS-TTL opterećenja čini ga prikladnim za sustave u kojima su željeni brojni izlazi signala.
Opremljen unutarnjim stezanjem diode, minimizira rizike povezane s elektrostatičkim pražnjenjem.Ova značajka naglašava njegovu ulogu u proširenju dugovječnosti komponenti, suptilno odražavajući mudrost u traženju dugoročne pouzdanosti.
Zamjene i ekvivalenti:
•
CD4011
CD4011
I-CORE
701
In Stock: 25220 pcs
• MC54HC00AJD
• M74HC00M1
• SN54LS00
• sn74hct00dte4
•
74HCT132D
74HCT132D
NXP
74HCT132D PHILIPS SOP14
In Stock: 16924 pcs
•
74HCT00
74HCT00
TI
74HCT00 ST SOP14
In Stock: 2870 pcs

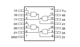
• Pins 1, 2, 4, 5, 9, 10, 12, 13: Unosi podataka
Ove su igle izrađene za primanje ulaznih signala koji vode logičke operacije NAND vrata unutar čipa.Osiguravanje da ovi ulazi ne budu smetnje potiče ponašanje pouzdanog kruga, što odražava na kontrolu i predvidljivost.
• Pins 3, 6, 8, 11: Izlazi podataka
Djelujući kao izlazi, ove igle prenose rezultate izračunavanja NAND vrata.Mogu se zaposliti u različitim konstrukcijama digitalne logike, tkajući zajedno složene logičke obrasce.Kad je više krugova spojeno na pojedinačni izlaz, potencijalni učinci opterećenja nagovještavaju osjetljivu ravnotežu potrebnu u zamršenim odnosima.
• PIN 7: Ground (GND)
Ovaj se pin povezuje s tlom sustava kako bi se osigurala stalna referentna točka za napone.Uspostavljanje tako stabilne veze usklađuje se s prirodnom potragom za uzemljenjem i jasnoćom, minimizirajući poremećaje.
• PIN 14: Pozitivno napajanje (VCC)
Hranjenje ispravnog napona kroz ovaj pin podržava performanse uređaja.Iako održavanje unutar navedenog raspona povećava dugovječnost i učinkovitost, postavljanje kondenzatora razdvajanja u blizini igle za napajanje može značajno stabilizirati rad, zrcaljenje strategija za upravljanje složenostima života.
74HC00
74HC00
RENESAS
74HC00 ST SOP
In Stock: 6124 pcs
dizajniran je s četiri neovisna NAND vrata koja su usredotočena na učinkovitost energije, privlačeći vas svojim pouzdanim performansama u digitalnim krugovima.Njegov impresivni imunitet buke doprinosi stabilnim aplikacijama, za koje mnogi smatraju da su privlačni za projekte koji prioritet dosljednosti.Dostupno u DIP i SOIC formatima, ispunjava različite zahtjeve za dizajnom i nudi fleksibilne mogućnosti izgleda PCB -a.
Prilagodljivost 74HC00 omogućava mu da se uklopi u širok raspon konfiguracija logičkih vrata i zamršenih sustava.Možete cijeniti njegovu snažnu sposobnost vožnje unosa/izlaza, smatrajući da je koristan za izradu složenih digitalnih funkcija.
Njegova sposobnost djelovanja u različitim uvjetima čini 74HC00 popularnim u razvoju obrazovanja i prototipa.Jednostavnost s kojom se prilagođava povećanoj složenosti kruga nadahnjuje vas za istraživanje novih inovacija bez žrtvovanja performansi.
Pregled proizvođača
Texas Instruments stekao je reputaciju svoje posvećenosti stvaranju pouzdanih i revolucionarnih poluvodičkih proizvoda.S njihovim nepokolebljivim fokusom na izdržljivost i superiorne performanse, komponente Texas Instruments nalaze se u središtu brojnih aplikacija, pokazujući svoju učinkovitu ulogu u elektroničkoj industriji.
Fizičke dimenzije
Mjerenje 8,65 mm x 3,91 mm x 1,58 mm,
74HC00
74HC00
RENESAS
74HC00 ST SOP
In Stock: 6124 pcs
ima elegantan dizajn prilagođen kompaktnim okruženjima.Ove dimenzije pojednostavljuju integraciju u različite rasporede pločice, omogućujući vam da maksimalno iskoristite ograničeni prostor bez ugrožavanja izvanrednih mogućnosti uređaja.
Električne karakteristike
Napon napajanja proteže se od 2V do 6V, nudeći prilagodljivost u odabiru izvora napajanja i osiguravanju kompatibilnosti sa širokim spektrom digitalnih krugova.Ovaj raspon napona podržava svestrane primjene, omogućujući 74HC00 da se spretno prilagodi promjenjivim zahtjevima u dinamičkim okruženjima.
Uvjeti temperature i okoliša
Učinkovito djeluje između -40 ° C i 85 ° C, uređaj je dizajniran tako da napreduje u različitim klimama i industrijskim uvjetima.Njegov otpor prema temperaturnim krajnostima čini ga preferiranim izborom za potrošačku elektroniku i industrijsku primjenu, gdje je data varijabilnost okoliša.
Metrike performansi
Nudeći kašnjenje razmnožavanja od 23 nanosekunde, 74HC00 se ističe u učinkovitosti obrade potrebne za logičke funkcije velike brzine.Ova brzina performansi povoljna je za aplikacije kao što su digitalna kontrola signala i komunikacijski sustavi, gdje je brza razmjena podataka nužna.
Strukturni sastav
Uređaj uključuje 4 vrata, za logičke operacije NAND -a, pružajući značajnu funkcionalnost zamršenih logičkih dizajna.Ova konfiguracija pokazuje se povoljnim tamo gdje su potrebne logičke operacije kako bi se učinkovito izvršile, osiguravajući brzu i pouzdanu obradu unutar sustava.
Klasifikacija
Funkcionira kao logička vrata, 74HC00 služi kao primarna komponenta u stvaranju digitalnog kruga.Ove elemente možete koristiti za izgradnju složenih digitalnih sustava, povećavajući na taj način računalnu snagu i unapređenje mogućnosti obrade na inovativne načine.
74HC00
74HC00
RENESAS
74HC00 ST SOP
In Stock: 6124 pcs
integrira četiri odvojena NAND vrata, svaka s dva ulaza koja vode do jednog izlaza.Operacija ovisi o detaljnoj tablici istine.Konkretno, izlaz pada na nizak samo ako su oba ulaza visoka.Inače, izlaz ostaje visok - primarni element u dizajnu digitalne logike, djelujući kao temeljna komponenta u izradi više zamršenih krugova.
Pozitivne povratne informacije suptilno utječu na stabilnost preko ovih vrata.Kako svaka vrata obrađuju svoje ulaze, povratne informacije služe za jačanje stabilnog izlaznog stanja, potičući dosljedne performanse.Ova ravnoteža postiže se usklađivanjem reakcija vrata s ulaznim vrijednostima.Možete se uključiti u ovaj aspekt kako biste krivotvorili krugove koji zahtijevaju pouzdana logička stanja, otkrivajući sloj osigurane predvidljivosti.
Shvaćanje suptilnosti dinamike ulaznog izlaza unutar NAND vrata povećava potencijal za pojednostavljene dizajne kruga.Uobičajene aplikacije uključuju izgradnju flip-flopsa i izvršavanje logičkih zadataka kao što su i, ili, a ne operacija.Ova svestranost naglašava njihovo usvajanje u spektru konteksta, od izravnih mehanizama upravljanja do sofisticiranih računalnih okvira.
Osvrćući se na širu korisnost 74HC00, njegova pouzdana performansa nalazi se na važnosti u poljima koja obuhvaćaju potrošačku elektroniku za industrijsku automatizaciju.Snaga da organiziraju ta vrata u različitim logičkim okvirima daje značajnu kreativnu slobodu, potičući inovacije.Glavni principi Nand Gates nadahnjuju rješenja za jedinstvene tehnološke prepreke.
74HC00
74HC00
RENESAS
74HC00 ST SOP
In Stock: 6124 pcs
je četverostruka Dva ulazna vrata dizajnirana s izvrsnom preciznošću.Utjelovljuje skladan spoj praktičnosti i tehnološke sofisticiranosti.
Značajke
• djeluje na širokom rasponu napona
• Prikazuje brzo kašnjenje širenja
• Pogodno za operacije velike brzine i male snage
Električne karakteristike
• Napon i struja: Ova komponenta funkcionira preko širine razine napona, prilagođavajući raznolikost potreba za dizajnom.
• Raspon temperature: Pouzdano se vrši u različitim temperaturnim postavkama, omogućujući prilagodljivost različitim uvjetima okoliša.
Prijava
• Opća upotreba: Svestrana komponenta, nalazi se mjesto u bezbroj digitalnih krugova, ispunjavajući potrebe u rasponu od svakodnevnih zadataka do složenih aplikacija s Graceom.
• Specifične implementacije: Od potrošačke elektronike do industrijskih mehanizama, 74HC00 integrira se neprimjetno, manifestirajući svoju korisnost u svakoj primjeni.
Čip
74HC00
74HC00
RENESAS
74HC00 ST SOP
In Stock: 6124 pcs
pokazuje izvanrednu prilagodljivost, koja se često pojavljuje u različitim elektroničkim kontekstima zahvaljujući svom širokom spektru funkcionalnosti.
Puferiranje i vožnja
74HC00 adeply funkcionira kao međuspremnik ili vozač, potičući bešavnu povezanost kroz krugove.Minimaliziranjem padova napona i smanjenjem degradacije signala uspostavlja dosljednu komunikaciju između komponenti.U praktičnoj elektronici, korištenjem 74HC00 kao međuspremnika može poboljšati sposobnost mikrokontrolera za aktiviranje više LED-ova ili relejnih modula, česta značajka u DIY projektima.
Logičke operacije
Ovaj čip omogućava logičke operacije, poput Nand Gatesa, tvoreći jezgru zamršenih sustava.Njegova integracija bez napora u različite logičke krugove naglašava njegovu upotrebljivost.U digitalnom dizajnu, iskorištavanje Nand Gatesa omogućava vam konstruiranje sofisticiranih logičkih krugova s manje komponenti, povećavajući i pristupačnost i kompaktnost.
Integracija ugrađenih sustava
Unutar ugrađenih sustava, 74HC00 pojednostavljuje izvršavanje zadatka ugradnjom logičkih funkcija unutar inicijativa mikrokontrolera.
Brojni IoT uređaji koriste ovaj čip kako bi izvršili uvjetne provjere i upravljali perifernim uređajima, povećavajući reakciju sustava i pouzdanost.
Pretvorba razine
74HC00 služi učinkovitoj ulozi u pretvorbi na razini, prilagođavajući razinu signala među različitim krugom.To olakšava glatko povezivanje komponenti s različitim ocjenama napona.U situacijama mješovite napona, poput povezivanja 5V mikrokontrolera s senzorom 3.3V, 74HC00 neprimjetno premošćuje podjelu, osiguravajući precizno dijeljenje podataka.
Vremenski i upravljački krugovi
CHIP se također sadrži u vremenskim i upravljačkim krugovima, pomažući u pažljivoj koordinaciji sekvencijalnih logičkih zadataka, poboljšavajući aplikacije poput krugova kašnjenja i stvaranja impulsa.Rafiniranje vremenskih krugova s 74HC00 povećava preciznost u zadacima kao što su sinkroni komunikacijski sustavi, zaštitu podataka o vjernosti podataka kroz pažljivo upravljanje vremenom.
Digitalni komparator za binarnu usporedbu
74HC00 funkcionira kao digitalni komparator za binarne usporedbe, idealno za donošenje odluka unutar digitalnih okvira.Razaznaje jednakost ili varijaciju između binarnih figura.Upotreba 74HC00 za binarnu usporedbu pruža učinkovit put za provedbu odluka o razgradnji u različitim digitalnim protokolima, pojačavajući rad sustava u aktivnostima.
74HC00 podatkovni list:
74HC00 Pojedinosti PDF74HC00 Pojedinosti PDF za fr.pdf74HC00 Pojedinosti PDF za Kr.pdf74HC00 Pojedinosti PDF za IT.pdf74HC00 Pojedinosti PDF za es.pdf
1. Koja je funkcionalnost 74HC00?
74HC00 uključuje četiri neovisna vrata s 2 ulaza, koja rade u rasponu snage od 2,0 V do 6,0V.Posluživanje digitalnih logičkih sustava, omogućava stvaranje logičkih operacija koje tvore okosnicu zamršenih digitalnih arhitektura.
2. Koliko Nand vrata sadrži 74LS00?
74LS00 sadrži skup od četiri NAND vrata, svaka dizajnirana s dva ulaza i jedinstvenim izlazom.Ova je konfiguracija čest izbor pri razvoju jedinica u digitalnoj elektronici.
3. Što razlikuje 74HC00 od 74LS00?
Glavna razlika je njihova prilagodljivost napona.74HC00 radi u rasponu od 2V do 6V, dok je 74LS00 ograničen na 5V napajanje.Odabir često ovisi o varijacijama potreba za primjenom i čimbenika okoliša.
4. Možete li opisati 74HC seriju?
Serija 74HC sadrži integrirane krugove velike brzine CMOS, nudeći TTL-kompatibilne brzine sa smanjenom potrošnjom energije.Njihova kompatibilnost s izgledima PIN -a od 74LS serije omogućuje jednostavnu integraciju i zamjenu u postojećim krugovima.
5. Koje su primjene 74HC00?
U digitalnim krugovima, 74HC00 je ključan gdje su za inverziju signala i izvršavanje složenih logičkih radnji potrebne za logičke vrata.Njegova prilagodljivost čini ga dragocjenom imovinom u obrazovnim kontekstima i profesionalnim elektroničkim pothvatima.
Podijelite ovaj post